
Logic Noise Digital To Analog With An R 2r Dac Hackaday

Generating Audio With An Arduino And A Resistor Ladder Dac

Arduino Resistor Ladder With Same Resistor Value And

The Operation And Characteristics Of Voltage Mode R 2r Dacs

Vishay Precision Group Foil Resistors Case Study

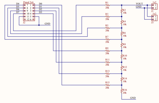
Lab 9 Light And Sound And Storage

Generating Audio With An Arduino And A Resistor Ladder Dac

Digital Drive

Mystique V3 Dac Single Ended

Denafrips Ares Dac Review Your Digital Turntable

How To Use Digital Potentiometers To Control Light And Sound

6moons Audio Reviews Totaldac
Dac 8 Bit Using R 2r Ladder Arduino Project Hub

Adding A Multimedia Capability Covox Device Gr8bit Kb0010

R 2r Ladder Dac Vs Sigma Delta Pcm Dac Vs Dsd Dac Read Now
Comments
Post a Comment